|
Letzte Woche (Dezember 2015) wurde bei
Auto Anft in Bochum ja schon das 4Gang Automatikgetriebe ausgebaut, komplett
instand gesetzt und wieder eingebaut.
Im fast gleichen Arbeitsumfang wurde
die Hinterachse für mal schlappe 3,700€ instand gesetzt.
- Differenzial ausgebaut, überprüft, alle Simmeringe erneuert und Differenzial eingebaut
- Beide Radlager rechts und links erneuert
- Radnabe links erneuert
- Beide Antriebswellen erneuert
- Diverse Simmerring und Lager erneuert
Alles original MB Teile.
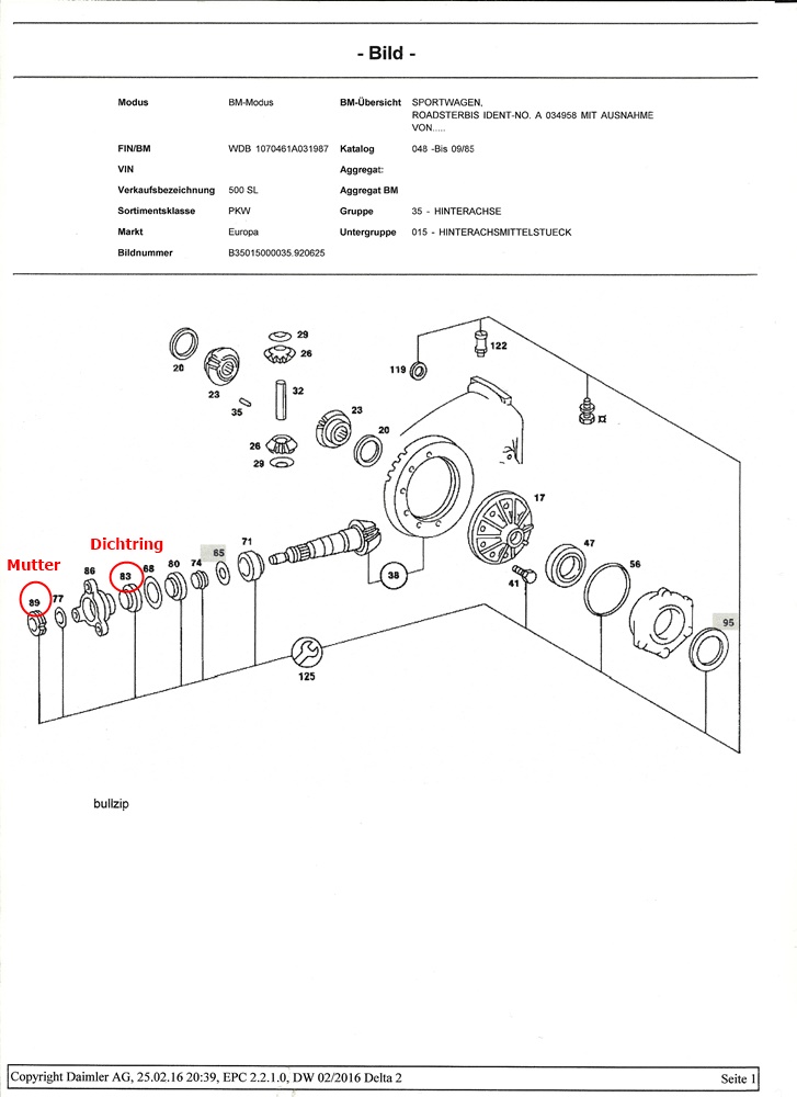
Hier mal alle Teile die erneuert wurden in den Expositions-Zeichnungen (nach Mercedes EPC):
 |
 |
 |
Flansch Teilesatz links plus Rep-Satz Hinterradlagerung rechts & links |
Lager Bremssattelträger rechts & links |
Achswellen komplett mit Innenflansch rechts & links |
 |
|
 |
2 x Dichtringe Achswellen rechts & links im Differenzial |
|
Dichtringe und Mutter am Differenzial Ausgang |
Zur Erinnerung (Fotolink unten), die Hinterachse wurde
schon 2009 bis auf die o.g. Reparaturen überholt - mh, da war sie ja noch in Ordnung, bin ja schliesslich noch knapp 10.000Km danach gefahren, wer weiss das schon, vielleicht war ja damals schon irgendwo da 'ne unbemerkte kleine Macke.
Jetzt kann ich mit ruhigem
Gewissen sagen dass die Hinterachse nun "Tutti kompletti" überholt
ist und mit Sicherheit für die nächsten 15-20 Jahren keine Baustelle
werden wird.

|